220137, г. Минск, 1-й Наклонный переулок, д.2
ПН-ЧТ 9.00-17.00, ПТ 9.00-16.00
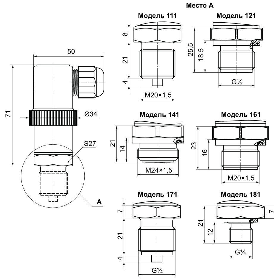
Малогабаритный датчик с торцевой открытой мембраной представляет собой преобразователь давления с сенсором типа КНК (кремний на кремнии), с мембраной из нержавеющей стали AISI 316L, на штуцере из нержавеющей стали AISI 304S с резьбами G1/2”, M24×1,5, M20×1,5 и выходным сигналом 4…20 мА.
Преобразователи ПД100И-121/141/161 применяется для измерения уровня и давления вязких, загрязнённых и коксующихся сред: молочные продукты, патока, целлюлозные пульпы, пенообразователи, канализационные стоки на пищевых производствах, целлюлозно-бумажных комбинатах, мазутных складах, водоканалах, пожарных системах и других специализированных производствах.
Сильнозагрязнённые, высоковязкие, коксующиеся жидкости, суспензии и растворы.
Наименование | Значение |
Выходной сигнал постоянного тока | 4...20 мА, 2-проводная схема |
Основная приведенная погрешность | 0,25; 0,5 % ВПИ |
Диапазон рабочих температур измеряемой среды | –40…+125 °С |
Напряжение питания | 12…40 В постоянного тока, номинальное 24 В |
Сопротивление нагрузки | 0…1,4 кОм (в зависимости от напряжения питания) |
Потребляемая мощность | не более 0,8 Вт |
Помехоустойчивость | класс А по ГОСТ 30804.6.2-2013 |
Устойчивость к механическим воздействиям | группа исполнения V3 по ГОСТ Р 52931 |
Степень защиты корпуса | IP65 |
Устойчивость к климатическим воздействиям | УХЛ3.1 |
Диапазон рабочих температур окружающего воздуха | –40…+80 °С |
Атмосферное давление рабочее | 84,0...106,7 кПа |
Среднее время наработки на отказ | не менее 500 000 ч |
Средний срок службы | 12 лет |
Межповерочный интервал | 4 / 5 лет |
Методика поверки | КУВФ.406230.100 МП |
Вес без упаковки / в упаковке | 0,2 кг / 0,3 кг |
Штуцер для подключения | «121» – G1/2” торцевая мембрана «141» – M24×1,5 торцевая мембрана «161» – M20×1,5 торцевая мембрана |
Тип электрического соединителя | EN175301-803 форма А |
Габаритный размер (по высоте) | не более 82 мм |
Перегрузочная способность | не менее 200 % от ВПИ |
Предельное давление перегрузки | не менее 400 % от ВПИ |

Схема подключения ПД100




| ПД100И-ДИ0,04-121-0,25 |
| Преобразователь повышенного качества избыточного давления на диапазон 0…40 кПа с мембраной из нержавеющей стали присоединительной резьбой G1/2 торц.мембрана с электроразъёмом DIN43650 выходным сигналом 4-20 мА и основной погрешностью 0,25% ВПИ исполнение стандартное |
| ПД100И-ДИ1,6-121-0,25 |
| Преобразователь повышенного качества избыточного давления на диапазон 0…1,6 МПа с мембраной из нержавеющей стали присоединительной резьбой G1/2 торц.мембрана с электроразъёмом DIN43650 выходным сигналом 4-20 мА и основной погрешностью 0,25% ВПИ исполнение стандартное |
| ПД100И-ДИ0,06-121-0,5 |
| Преобразователь повышенного качества избыточного давления на диапазон 0…60 кПа с мембраной из нержавеющей стали присоединительной резьбой G1/2 торц.мембрана с электроразъёмом DIN43650 выходным сигналом 4-20 мА и основной погрешностью 0,5% ВПИ исполнение стандартное |
| ПД100И-ДИ1,0-121-0,5 |
| Преобразователь повышенного качества избыточного давления на диапазон 0…1,0 МПа с мембраной из нержавеющей стали присоединительной резьбой G1/2 торц.мембрана с электроразъёмом DIN43650 выходным сигналом 4-20 мА и основной погрешностью 0,5% ВПИ исполнение стандартное |
| ПД100И-ДИ0,6-121-0,5 |
| Преобразователь повышенного качества избыточного давления на диапазон 0…0,6 МПа с мембраной из нержавеющей стали присоединительной резьбой G1/2 торц.мембрана с электроразъёмом DIN43650 выходным сигналом 4-20 мА и основной погрешностью 0,5% ВПИ исполнение стандартное |
| ПД100И-ДИ2,5-121-0,5 |
| Преобразователь повышенного качества избыточного давления на диапазон 0…2,5 МПа с мембраной из нержавеющей стали присоединительной резьбой G1/2 торц.мембрана с электроразъёмом DIN43650 выходным сигналом 4-20 мА и основной погрешностью 0,5% ВПИ исполнение стандартное |
| ПД100И-ДИ0,1-121-0,5 |
| Преобразователь повышенного качества избыточного давления на диапазон 0…0,1 МПа с мембраной из нержавеющей стали присоединительной резьбой G1/2 торц.мембрана с электроразъёмом DIN43650 выходным сигналом 4-20 мА и основной погрешностью 0,5% ВПИ исполнение стандартное |
| ПД100И-ДИ1,0-121-0,25 |
| Преобразователь повышенного качества избыточного давления на диапазон 0…1,0 МПа с мембраной из нержавеющей стали присоединительной резьбой G1/2 торц.мембрана с электроразъёмом DIN43650 выходным сигналом 4-20 мА и основной погрешностью 0,25% ВПИ исполнение стандартное |
| ПД100И-ДИ1,6-141-0,5 |
| Преобразователь повышенного качества избыточного давления на диапазон 0…1,6 МПа с мембраной из нержавеющей стали присоединительной резьбой М24х1,5 торц.мембрана с электроразъёмом DIN43650 выходным сигналом 4-20 мА и основной погрешностью 0,5% ВПИ исполнение стандартное |
| ПД100И-ДИ1,0-141-0,25 |
| Преобразователь повышенного качества избыточного давления на диапазон 0…1,0 МПа с мембраной из нержавеющей стали присоединительной резьбой М24х1,5 торц.мембрана с электроразъёмом DIN43650 выходным сигналом 4-20 мА и основной погрешностью 0,25% ВПИ исполнение стандартное |
| ПД100И-ДИ0,1-141-0,5 |
| Преобразователь повышенного качества избыточного давления на диапазон 0…0,1 МПа с мембраной из нержавеющей стали присоединительной резьбой М24х1,5 торц.мембрана с электроразъёмом DIN43650 выходным сигналом 4-20 мА и основной погрешностью 0,5% ВПИ исполнение стандартное |
| ПД100И-ДИ0,025-141-0,5 |
| Преобразователь повышенного качества избыточного давления на диапазон 0…25,0 кПа с мембраной из нержавеющей стали присоединительной резьбой М24х1,5 торц.мембрана с электроразъёмом DIN43650 выходным сигналом 4-20 мА и основной погрешностью 0,5% ВПИ исполнение стандартное |
| ПД100И-ДИ0,16-141-0,5 |
| Преобразователь повышенного качества избыточного давления на диапазон 0…0,16 МПа с мембраной из нержавеющей стали присоединительной резьбой М24х1,5 торц.мембрана с электроразъёмом DIN43650 выходным сигналом 4-20 мА и основной погрешностью 0,5% ВПИ исполнение стандартное |
| ПД100И-ДИ0,25-141-0,5 |
| Преобразователь повышенного качества избыточного давления на диапазон 0…0,25 МПа с мембраной из нержавеющей стали присоединительной резьбой М24х1,5 торц.мембрана с электроразъёмом DIN43650 выходным сигналом 4-20 мА и основной погрешностью 0,5% ВПИ исполнение стандартное |
| ПД100И-ДИВ0,1-141-0,5 |
| Преобразователь повышенного качества избыточно-вакуумметрического давления на диапазон -0,1…+0,1 МПа с мембраной из нержавеющей стали присоединительной резьбой М24х1,5 торц.мембрана с электроразъёмом DIN43650 выходным сигналом 4-20 мА и основной погрешностью 0,5% ВПИ исполнение стандартное |
| ПД100И-ДИ0,4-141-0,5 |
| Преобразователь повышенного качества избыточного давления на диапазон 0…0,4 МПа с мембраной из нержавеющей стали присоединительной резьбой М24х1,5 торц.мембрана с электроразъёмом DIN43650 выходным сигналом 4-20 мА и основной погрешностью 0,5% ВПИ исполнение стандартное |
| ПД100И-ДИ2,5-141-0,5 |
| Преобразователь повышенного качества избыточного давления на диапазон 0…2,5 МПа с мембраной из нержавеющей стали присоединительной резьбой М24х1,5 торц.мембрана с электроразъёмом DIN43650 выходным сигналом 4-20 мА и основной погрешностью 0,5% ВПИ исполнение стандартное |
| ПД100И-ДИ0,06-141-0,5 |
| Преобразователь повышенного качества избыточного давления на диапазон 0…60 кПа с мембраной из нержавеющей стали присоединительной резьбой М24х1,5 торц.мембрана с электроразъёмом DIN43650 выходным сигналом 4-20 мА и основной погрешностью 0,5% ВПИ исполнение стандартное |
| ПД100И-ДИ0,6-141-0,5 |
| Преобразователь повышенного качества избыточного давления на диапазон 0…0,6 МПа с мембраной из нержавеющей стали присоединительной резьбой М24х1,5 торц.мембрана с электроразъёмом DIN43650 выходным сигналом 4-20 мА и основной погрешностью 0,5% ВПИ исполнение стандартное |
| ПД100И-ДИ1,0-141-0,5 |
| Преобразователь повышенного качества избыточного давления на диапазон 0…1,0 МПа с мембраной из нержавеющей стали присоединительной резьбой М24х1,5 торц.мембрана с электроразъёмом DIN43650 выходным сигналом 4-20 мА и основной погрешностью 0,5% ВПИ исполнение стандартное |
| ПД100И-ДИ0,04-141-0,5 |
| Преобразователь повышенного качества избыточного давления на диапазон 0…40 кПа с мембраной из нержавеющей стали присоединительной резьбой М24х1,5 торц.мембрана с электроразъёмом DIN43650 выходным сигналом 4-20 мА и основной погрешностью 0,5% ВПИ исполнение стандартное |
| ПД100И-ДИВ0,05-141-0,5 |
| Преобразователь повышенного качества избыточно-вакуумметрического давления на диапазон -50…+50 кПа с мембраной из нержавеющей стали присоединительной резьбой М24х1,5 торц.мембрана с электроразъёмом DIN43650 выходным сигналом 4-20 мА и основной погрешностью 0,5% ВПИ исполнение стандартное |
| ПД100И-ДИВ0,08-141-0,5 |
| Преобразователь повышенного качества избыточно-вакуумметрического давления на диапазон -80…+80 кПа с мембраной из нержавеющей стали присоединительной резьбой М24х1,5 торц.мембрана с электроразъёмом DIN43650 выходным сигналом 4-20 мА и основной погрешностью 0,5% ВПИ исполнение стандартное |
| ПД100И-ДИВ0,5-141-0,5 |
| Преобразователь повышенного качества избыточно-вакуумметрического давления на диапазон -0,1…+0,5 МПа с мембраной из нержавеющей стали присоединительной резьбой М24х1,5 торц.мембрана с электроразъёмом DIN43650 выходным сигналом 4-20 мА и основной погрешностью 0,5% ВПИ исполнение стандартное |
| ПД100И-ДИ2,5-141-0,25 |
| Преобразователь повышенного качества избыточного давления на диапазон 0…2,5 МПа с мембраной из нержавеющей стали присоединительной резьбой М24х1,5 торц.мембрана с электроразъёмом DIN43650 выходным сигналом 4-20 мА и основной погрешностью 0,25% ВПИ исполнение стандартное |
| ПД100И-ДИВ1,5-141-0,5 |
| Преобразователь повышенного качества избыточно-вакуумметрического давления на диапазон -0,1…+1,5 МПа с мембраной из нержавеющей стали присоединительной резьбой М24х1,5 торц.мембрана с электроразъёмом DIN43650 выходным сигналом 4-20 мА и основной погрешностью 0,5% ВПИ исполнение стандартное |
| ПД100И-ДИВ0,15-141-0,5 |
| Преобразователь повышенного качества избыточно-вакуумметрического давления на диапазон -0,1…+0,15 МПа с мембраной из нержавеющей стали присоединительной резьбой М24х1,5 торц.мембрана с электроразъёмом DIN43650 выходным сигналом 4-20 мА и основной погрешностью 0,5% ВПИ исполнение стандартное |
| ПД100И-ДИ0,6-141-0,25 |
| Преобразователь повышенного качества избыточного давления на диапазон 0…0,6 МПа с мембраной из нержавеющей стали присоединительной резьбой М24х1,5 торц.мембрана с электроразъёмом DIN43650 выходным сигналом 4-20 мА и основной погрешностью 0,25% ВПИ исполнение стандартное |
| ПД100И-ДИВ0,9-141-0,5 |
| Преобразователь повышенного качества избыточно-вакуумметрического давления на диапазон -0,1…+0,9 МПа с мембраной из нержавеющей стали присоединительной резьбой М24х1,5 торц.мембрана с электроразъёмом DIN43650 выходным сигналом 4-20 мА и основной погрешностью 0,5% ВПИ исполнение стандартное |
| ПД100И-ДИВ0,3-141-0,5 |
| Преобразователь повышенного качества избыточно-вакуумметрического давления на диапазон -0,1…+0,3 МПа с мембраной из нержавеющей стали присоединительной резьбой М24х1,5 торц.мембрана с электроразъёмом DIN43650 выходным сигналом 4-20 мА и основной погрешностью 0,5% ВПИ исполнение стандартное |
| ПД100И-ДИ1,6-141-0,25 |
| Преобразователь повышенного качества избыточного давления на диапазон 0…1,6 МПа с мембраной из нержавеющей стали присоединительной резьбой М24х1,5 торц.мембрана с электроразъёмом DIN43650 выходным сигналом 4-20 мА и основной погрешностью 0,25% ВПИ исполнение стандартное |
| ПД100И-ДВ0,1-141-0,5 |
| Преобразователь повышенного качества вакуумметрического давления на диапазон 0…0,1 МПа с мембраной из нержавеющей стали присоединительной резьбой М24х1,5 торц.мембрана с электроразъёмом DIN43650 выходным сигналом 4-20 мА и основной погрешностью 0,5% ВПИ исполнение стандартное |
| ПД100И-ДВ0,06-141-0,5 |
| Преобразователь повышенного качества вакуумметрического давления на диапазон 0…60 кПа с мембраной из нержавеющей стали присоединительной резьбой М24х1,5 торц.мембрана с электроразъёмом DIN43650 выходным сигналом 4-20 мА и основной погрешностью 0,5% ВПИ исполнение стандартное |
| ПД100И-ДИ0,04-141-0,25 |
| Преобразователь повышенного качества избыточного давления на диапазон 0…40 кПа с мембраной из нержавеющей стали присоединительной резьбой М24х1,5 торц.мембрана с электроразъёмом DIN43650 выходным сигналом 4-20 мА и основной погрешностью 0,25% ВПИ исполнение стандартное |
| ПД100И-ДВ0,04-141-0,5 |
| Преобразователь повышенного качества вакуумметрического давления на диапазон 0…40 кПа с мембраной из нержавеющей стали присоединительной резьбой М24х1,5 торц.мембрана с электроразъёмом DIN43650 выходным сигналом 4-20 мА и основной погрешностью 0,5% ВПИ исполнение стандартное |
| ПД100И-ДИ0,06-141-0,25 |
| Преобразователь повышенного качества избыточного давления на диапазон 0…60 кПа с мембраной из нержавеющей стали присоединительной резьбой М24х1,5 торц.мембрана с электроразъёмом DIN43650 выходным сигналом 4-20 мА и основной погрешностью 0,25% ВПИ исполнение стандартное |
| ПД100И-ДИ0,1-141-0,25 |
| Преобразователь повышенного качества избыточного давления на диапазон 0…0,1 МПа с мембраной из нержавеющей стали присоединительной резьбой М24х1,5 торц.мембрана с электроразъёмом DIN43650 выходным сигналом 4-20 мА и основной погрешностью 0,25% ВПИ исполнение стандартное |
| ПД100И-ДИВ0,15-141-0,25 |
| Преобразователь повышенного качества избыточно-вакуумметрического давления на диапазон -0,1…+0,15 МПа с мембраной из нержавеющей стали присоединительной резьбой М24х1,5 торц.мембрана с электроразъёмом DIN43650 выходным сигналом 4-20 мА и основной погрешностью 0,25% ВПИ исполнение стандартное |
| ПД100И-ДИВ1,5-141-0,25 |
| Преобразователь повышенного качества избыточно-вакуумметрического давления на диапазон -0,1…+1,5 МПа с мембраной из нержавеющей стали присоединительной резьбой М24х1,5 торц.мембрана с электроразъёмом DIN43650 выходным сигналом 4-20 мА и основной погрешностью 0,25% ВПИ исполнение стандартное |
| ПД100И-ДИВ0,5-141-0,25 |
| Преобразователь повышенного качества избыточно-вакуумметрического давления на диапазон -0,1…+0,5 МПа с мембраной из нержавеющей стали присоединительной резьбой М24х1,5 торц.мембрана с электроразъёмом DIN43650 выходным сигналом 4-20 мА и основной погрешностью 0,25% ВПИ исполнение стандартное |
| ПД100И-ДИВ0,02-141-0,5 |
| Преобразователь повышенного качества избыточно-вакуумметрического давления на диапазон -20,0…+20,0 кПа с мембраной из нержавеющей стали присоединительной резьбой М24х1,5 торц.мембрана с электроразъёмом DIN43650 выходным сигналом 4-20 мА и основной погрешностью 0,5% ВПИ исполнение стандартное |
| ПД100И-ДИ0,16-141-0,25 |
| Преобразователь повышенного качества избыточного давления на диапазон 0…160,0 кПа с мембраной из нержавеющей стали присоединительной резьбой М24х1,5 торц.мембрана с электроразъёмом DIN43650 выходным сигналом 4-20 мА и основной погрешностью 0,25% ВПИ исполнение стандартное |
| ПД100И-ДВ0,016-141-0,5 |
| Преобразователь повышенного качества вакуумметрического давления на диапазон 0…16,0 кПа с мембраной из нержавеющей стали присоединительной резьбой М24х1,5 торц.мембрана с электроразъёмом DIN43650 выходным сигналом 4-20 мА и основной погрешностью 0,5% ВПИ исполнение стандартное |
| ПД100И-ДИВ0,1-141-0,25 |
| Преобразователь повышенного качества избыточно-вакуумметрического давления на диапазон -0,1…+0,1 МПа с мембраной из нержавеющей стали присоединительной резьбой М24х1,5 торц.мембрана с электроразъёмом DIN43650 выходным сигналом 4-20 мА и основной погрешностью 0,25% ВПИ исполнение стандартное |
| ПД100И-ДИВ2,4-141-0,5 |
| Преобразователь повышенного качества избыточно-вакуумметрического давления на диапазон -0,1…+2,4 МПа с мембраной из нержавеющей стали присоединительной резьбой М24х1,5 торц.мембрана с электроразъёмом DIN43650 выходным сигналом 4-20 мА и основной погрешностью 0,5% ВПИ исполнение стандартное |
| ПД100И-ДИВ0,3-141-0,25 |
| Преобразователь повышенного качества избыточно-вакуумметрического давления на диапазон -30,0…+30,0 кПа с мембраной из нержавеющей стали присоединительной резьбой М24х1,5 торц.мембрана с электроразъёмом DIN43650 выходным сигналом 4-20 мА и основной погрешностью 0,25% ВПИ исполнение стандартное |
| ПД100И-ДИВ0,05-141-0,25 |
| Преобразователь повышенного качества избыточно-вакуумметрического давления на диапазон -50…+50 кПа с мембраной из нержавеющей стали присоединительной резьбой М24х1,5 торц.мембрана с электроразъёмом DIN43650 выходным сигналом 4-20 мА и основной погрешностью 0,25% ВПИ исполнение стандартное |
| ПД100И-ДИ0,016-141-0,5 |
| Преобразователь повышенного качества избыточного давления на диапазон 0…16,0 кПа с мембраной из нержавеющей стали присоединительной резьбой М24х1,5 торц.мембрана с электроразъёмом DIN43650 выходным сигналом 4-20 мА и основной погрешностью 0,5% ВПИ исполнение стандартное |
| ПД100И-ДИ0,25-141-0,25 |
| Преобразователь повышенного качества избыточного давления на диапазон 0…250,0 кПа с мембраной из нержавеющей стали присоединительной резьбой М24х1,5 торц.мембрана с электроразъёмом DIN43650 выходным сигналом 4-20 мА и основной погрешностью 0,25% ВПИ исполнение стандартное |
| ПД100И-ДИ0,4-141-0,25 |
| Преобразователь повышенного качества избыточного давления на диапазон 0…400,0 кПа с мембраной из нержавеющей стали присоединительной резьбой М24х1,5 торц.мембрана с электроразъёмом DIN43650 выходным сигналом 4-20 мА и основной погрешностью 0,25% ВПИ исполнение стандартное |
| ПД100И-ДИ0,01-141-0,5 |
| Преобразователь повышенного качества избыточного давления на диапазон 0…10,0 кПа с мембраной из нержавеющей стали присоединительной резьбой М24х1,5 торц.мембрана с электроразъёмом DIN43650 выходным сигналом 4-20 мА и основной погрешностью 0,5% ВПИ исполнение стандартное |
| ПД100И-ДВ0,1-141-0,25 |
| Преобразователь повышенного качества вакуумметрического давления на диапазон 0…0,1 МПа с мембраной из нержавеющей стали присоединительной резьбой М24х1,5 торц.мембрана с электроразъёмом DIN43650 выходным сигналом 4-20 мА и основной погрешностью 0,25% ВПИ исполнение стандартное |
| ПД100И-ДВ0,025-141-0,5 |
| Преобразователь повышенного качества вакуумметрического давления на диапазон 0…25,0 кПа с мембраной из нержавеющей стали присоединительной резьбой М24х1,5 торц.мембрана с электроразъёмом DIN43650 выходным сигналом 4-20 мА и основной погрешностью 0,5% ВПИ исполнение стандартное |
| ПД100И-ДВ0,01-141-0,5 |
| Преобразователь повышенного качества вакуумметрического давления на диапазон 0…10,0 кПа с мембраной из нержавеющей стали присоединительной резьбой М24х1,5 торц.мембрана с электроразъёмом DIN43650 выходным сигналом 4-20 мА и основной погрешностью 0,5% ВПИ исполнение стандартное |
| ПД100И-ДИВ0,9-141-0,25 |
| Преобразователь повышенного качества избыточно-вакуумметрического давления на диапазон -0,1…+0,9 МПа с мембраной из нержавеющей стали присоединительной резьбой М24х1,5 торц.мембрана с электроразъёмом DIN43650 выходным сигналом 4-20 мА и основной погрешностью 0,25% ВПИ исполнение стандартное |
| ПД100И-ДИВ0,9-161-0,5 |
| Преобразователь повышенного качества избыточно-вакуумметрического давления на диапазон -0,1…+0,9 МПа с мембраной из нержавеющей стали присоединительной резьбой М20х1,5 торц.мембрана с электроразъёмом DIN43650 выходным сигналом 4-20 мА и основной погрешностью 0,5% ВПИ исполнение стандартное |
| ПД100И-ДИ0,016-161-0,5 |
| Преобразователь повышенного качества избыточного давления на диапазон 0…16 кПа с мембраной из нержавеющей стали присоединительной резьбой М20х1,5 торц.мембрана с электроразъёмом DIN43650 выходным сигналом 4-20 мА и основной погрешностью 0,5% ВПИ исполнение стандартное |
| ПД100И-ДИВ0,3-161-0,5 |
| Преобразователь повышенного качества избыточно-вакуумметрического давления на диапазон -0,1…+0,3 МПа с мембраной из нержавеющей стали присоединительной резьбой М20х1,5 торц.мембрана с электроразъёмом DIN43650 выходным сигналом 4-20 мА и основной погрешностью 0,5% ВПИ исполнение стандартное |
| ПД100И-ДИВ0,08-161-0,25 |
| Преобразователь повышенного качества избыточно-вакуумметрического давления на диапазон -80…+80 кПа с мембраной из нержавеющей стали присоединительной резьбой М20х1,5 торц.мембрана с электроразъёмом DIN43650 выходным сигналом 4-20 мА и основной погрешностью 0,25% ВПИ исполнение стандартное |
| ПД100И-ДИВ0,1-161-0,25 |
| Преобразователь повышенного качества избыточно-вакуумметрического давления на диапазон -0,1…+0,1 МПа с мембраной из нержавеющей стали присоединительной резьбой М20х1,5 торц.мембрана с электроразъёмом DIN43650 выходным сигналом 4-20 мА и основной погрешностью 0,25% ВПИ исполнение стандартное |
| ПД100И-ДИ0,16-161-0,25 |
| Преобразователь повышенного качества избыточного давления на диапазон 0…0,16 МПа с мембраной из нержавеющей стали присоединительной резьбой М20х1,5 торц.мембрана с электроразъёмом DIN43650 выходным сигналом 4-20 мА и основной погрешностью 0,25% ВПИ исполнение стандартное |
| ПД100И-ДИ0,04-161-0,25 |
| Преобразователь повышенного качества избыточного давления на диапазон 0…40 кПа с мембраной из нержавеющей стали присоединительной резьбой М20х1,5 торц.мембрана с электроразъёмом DIN43650 выходным сигналом 4-20 мА и основной погрешностью 0,25% ВПИ исполнение стандартное |
| ПД100И-ДИВ0,02-161-0,5 |
| Преобразователь повышенного качества избыточно-вакуумметрического давления на диапазон -20…+20 кПа с мембраной из нержавеющей стали присоединительной резьбой М20х1,5 торц.мембрана с электроразъёмом DIN43650 выходным сигналом 4-20 мА и основной погрешностью 0,5% ВПИ исполнение стандартное |
| ПД100И-ДИВ0,3-161-0,25 |
| Преобразователь повышенного качества избыточно-вакуумметрического давления на диапазон -0,1…+0,3 МПа с мембраной из нержавеющей стали присоединительной резьбой М20х1,5 торц.мембрана с электроразъёмом DIN43650 выходным сигналом 4-20 мА и основной погрешностью 0,25% ВПИ исполнение стандартное |
| ПД100И-ДИВ1,5-161-0,5 |
| Преобразователь повышенного качества избыточно-вакуумметрического давления на диапазон -0,1…+1,5 МПа с мембраной из нержавеющей стали присоединительной резьбой М20х1,5 торц.мембрана с электроразъёмом DIN43650 выходным сигналом 4-20 мА и основной погрешностью 0,5% ВПИ исполнение стандартное |
| ПД100И-ДИ0,4-161-0,25 |
| Преобразователь повышенного качества избыточного давления на диапазон 0…0,4 МПа с мембраной из нержавеющей стали присоединительной резьбой М20х1,5 торц.мембрана с электроразъёмом DIN43650 выходным сигналом 4-20 мА и основной погрешностью 0,25% ВПИ исполнение стандартное |
| ПД100И-ДИ0,6-161-0,25 |
| Преобразователь повышенного качества избыточного давления на диапазон 0…0,6 МПа с мембраной из нержавеющей стали присоединительной резьбой М20х1,5 торц.мембрана с электроразъёмом DIN43650 выходным сигналом 4-20 мА и основной погрешностью 0,25% ВПИ исполнение стандартное |
| ПД100И-ДИВ0,5-161-0,5 |
| Преобразователь повышенного качества избыточно-вакуумметрического давления на диапазон -0,1…+0,5 МПа с мембраной из нержавеющей стали присоединительной резьбой М20х1,5 торц.мембрана с электроразъёмом DIN43650 выходным сигналом 4-20 мА и основной погрешностью 0,5% ВПИ исполнение стандартное |
| ПД100И-ДИ0,25-161-0,25 |
| Преобразователь повышенного качества избыточного давления на диапазон 0…0,25 МПа с мембраной из нержавеющей стали присоединительной резьбой М20х1,5 торц.мембрана с электроразъёмом DIN43650 выходным сигналом 4-20 мА и основной погрешностью 0,25% ВПИ исполнение стандартное |
| ПД100И-ДИВ0,9-161-0,25 |
| Преобразователь повышенного качества избыточно-вакуумметрического давления на диапазон -0,1…+0,9 МПа с мембраной из нержавеющей стали присоединительной резьбой М20х1,5 торц.мембрана с электроразъёмом DIN43650 выходным сигналом 4-20 мА и основной погрешностью 0,25% ВПИ исполнение стандартное |
| ПД100И-ДИ0,01-161-0,5 |
| Преобразователь повышенного качества избыточного давления на диапазон 0…10 кПа с мембраной из нержавеющей стали присоединительной резьбой М20х1,5 торц.мембрана с электроразъёмом DIN43650 выходным сигналом 4-20 мА и основной погрешностью 0,5% ВПИ исполнение стандартное |
| ПД100И-ДИВ0,5-161-0,25 |
| Преобразователь повышенного качества избыточно-вакуумметрического давления на диапазон -0,1…+0,5 МПа с мембраной из нержавеющей стали присоединительной резьбой М20х1,5 торц.мембрана с электроразъёмом DIN43650 выходным сигналом 4-20 мА и основной погрешностью 0,25% ВПИ исполнение стандартное |
| ПД100И-ДИ0,16-161-0,5 |
| Преобразователь повышенного качества избыточного давления на диапазон 0…0,16 МПа с мембраной из нержавеющей стали присоединительной резьбой М20х1,5 торц.мембрана с электроразъёмом DIN43650 выходным сигналом 4-20 мА и основной погрешностью 0,5% ВПИ исполнение стандартное |
| ПД100И-ДИ0,6-161-0,5 |
| Преобразователь повышенного качества избыточного давления на диапазон 0…0,6 МПа с мембраной из нержавеющей стали присоединительной резьбой М20х1,5 торц.мембрана с электроразъёмом DIN43650 выходным сигналом 4-20 мА и основной погрешностью 0,5% ВПИ исполнение стандартное |
| ПД100И-ДИВ2,4-161-0,25 |
| Преобразователь повышенного качества избыточно-вакуумметрического давления на диапазон -0,1…+2,4 МПа с мембраной из нержавеющей стали присоединительной резьбой М20х1,5 торц.мембрана с электроразъёмом DIN43650 выходным сигналом 4-20 мА и основной погрешностью 0,5% ВПИ исполнение стандартное |
| ПД100И-ДИВ1,5-161-0,25 |
| Преобразователь повышенного качества избыточно-вакуумметрического давления на диапазон -0,1…+0,9 МПа с мембраной из нержавеющей стали присоединительной резьбой М20х1,5 торц.мембрана с электроразъёмом DIN43650 выходным сигналом 4-20 мА и основной погрешностью 0,25% ВПИ исполнение стандартное |
| ПД100И-ДИ0,04-161-0,5 |
| Преобразователь повышенного качества избыточного давления на диапазон 0…40 кПа с мембраной из нержавеющей стали присоединительной резьбой М20х1,5 торц.мембрана с электроразъёмом DIN43650 выходным сигналом 4-20 мА и основной погрешностью 0,5% ВПИ исполнение стандартное |
| ПД100И-ДИ0,4-161-0,5 |
| Преобразователь повышенного качества избыточного давления на диапазон 0…0,4 МПа с мембраной из нержавеющей стали присоединительной резьбой М20х1,5 торц.мембрана с электроразъёмом DIN43650 выходным сигналом 4-20 мА и основной погрешностью 0,5% ВПИ исполнение стандартное |
| ПД100И-ДИ0,025-161-0,5 |
| Преобразователь повышенного качества избыточного давления на диапазон 0…25 кПа с мембраной из нержавеющей стали присоединительной резьбой М20х1,5 торц.мембрана с электроразъёмом DIN43650 выходным сигналом 4-20 мА и основной погрешностью 0,5% ВПИ исполнение стандартное |
| ПД100И-ДИ2,5-161-0,25 |
| Преобразователь повышенного качества избыточного давления на диапазон 0…2,5 МПа с мембраной из нержавеющей стали присоединительной резьбой М20х1,5 торц.мембрана с электроразъёмом DIN43650 выходным сигналом 4-20 мА и основной погрешностью 0,25% ВПИ исполнение стандартное |
| ПД100И-ДИВ0,03-161-0,5 |
| Преобразователь повышенного качества избыточно-вакуумметрического давления на диапазон -30…+30 кПа с мембраной из нержавеющей стали присоединительной резьбой М20х1,5 торц.мембрана с электроразъёмом DIN43650 выходным сигналом 4-20 мА и основной погрешностью 0,5% ВПИ исполнение стандартное |
| ПД100И-ДИВ0,0125-161-0,5 |
| Преобразователь повышенного качества избыточно-вакуумметрического давления на диапазон -12,5…+12,5 кПа с мембраной из нержавеющей стали присоединительной резьбой М20х1,5 торц.мембрана с электроразъёмом DIN43650 выходным сигналом 4-20 мА и основной погрешностью 0,5% ВПИ исполнение стандартное |
| ПД100И-ДИВ0,08-161-0,5 |
| Преобразователь повышенного качества избыточно-вакуумметрического давления на диапазон -80…+80 кПа с мембраной из нержавеющей стали присоединительной резьбой М20х1,5 торц.мембрана с электроразъёмом DIN43650 выходным сигналом 4-20 мА и основной погрешностью 0,5% ВПИ исполнение стандартное |
| ПД100И-ДИ0,25-161-0,5 |
| Преобразователь повышенного качества избыточного давления на диапазон 0…0,25 МПа с мембраной из нержавеющей стали присоединительной резьбой М20х1,5 торц.мембрана с электроразъёмом DIN43650 выходным сигналом 4-20 мА и основной погрешностью 0,5% ВПИ исполнение стандартное |
| ПД100И-ДИ1,6-161-0,5 |
| Преобразователь повышенного качества избыточного давления на диапазон 0…1,6 МПа с мембраной из нержавеющей стали присоединительной резьбой М20х1,5 торц.мембрана с электроразъёмом DIN43650 выходным сигналом 4-20 мА и основной погрешностью 0,5% ВПИ исполнение стандартное |
| ПД100И-ДИ0,1-161-0,25 |
| Преобразователь повышенного качества избыточного давления на диапазон 0…0,1 МПа с мембраной из нержавеющей стали присоединительной резьбой М20х1,5 торц.мембрана с электроразъёмом DIN43650 выходным сигналом 4-20 мА и основной погрешностью 0,25% ВПИ исполнение стандартное |
| ПД100И-ДИ1,0-161-0,5 |
| Преобразователь повышенного качества избыточного давления на диапазон 0…1,0 МПа с мембраной из нержавеющей стали присоединительной резьбой М20х1,5 торц.мембрана с электроразъёмом DIN43650 выходным сигналом 4-20 мА и основной погрешностью 0,5% ВПИ исполнение стандартное |
| ПД100И-ДИ4,0-161-0,5 |
| Преобразователь повышенного качества избыточного давления на диапазон 0…4 МПа с мембраной из нержавеющей стали присоединительной резьбой М20х1,5 торц.мембрана с электроразъёмом DIN43650 выходным сигналом 4-20 мА и основной погрешностью 0,5% ВПИ исполнение стандартное |
| ПД100И-ДИ2,5-161-0,5 |
| Преобразователь повышенного качества избыточного давления на диапазон 0…2,5 МПа с мембраной из нержавеющей стали присоединительной резьбой М20х1,5 торц.мембрана с электроразъёмом DIN43650 выходным сигналом 4-20 мА и основной погрешностью 0,5% ВПИ исполнение стандартное |
| ПД100И-ДИВ0,15-161-0,25 |
| Преобразователь повышенного качества избыточно-вакуумметрического давления на диапазон -0,1…+0,15 МПа с мембраной из нержавеющей стали присоединительной резьбой М20х1,5 торц.мембрана с электроразъёмом DIN43650 выходным сигналом 4-20 мА и основной погрешностью 0,25% ВПИ исполнение стандартное |
| ПД100И-ДИВ0,05-161-0,5 |
| Преобразователь повышенного качества избыточно-вакуумметрического давления на диапазон -50…+50 кПа с мембраной из нержавеющей стали присоединительной резьбой М20х1,5 торц.мембрана с электроразъёмом DIN43650 выходным сигналом 4-20 мА и основной погрешностью 0,5% ВПИ исполнение стандартное |
| ПД100И-ДИВ2,4-161-0,5 |
| Преобразователь повышенного качества избыточно-вакуумметрического давления на диапазон -0,1…+2, |
Сертификат средств измерений о соответствии на ПД100И-121-141-161
Руководство по эксплуатации ПД100И-121-141-161
Оставляйте контактные данные, мы вам перезвоним и обсудим детали работы
Контакты
220137, г. Минск, 1-й Наклонный переулок, д.2
ПН-ЧТ 9.00-17.00, ПТ 9.00-16.00