220137, г. Минск, 1-й Наклонный переулок, д.2
ПН-ЧТ 9.00-17.00, ПТ 9.00-16.00
Под заказ
Манометры электроконтактныепоказывающие сигнализирующие взрывозащищенныекоррозионностойкие ДВ2005фСг1Ех Кс, ДА2005фСг1Ех Кс, ДМ2005фСг1Ех Кс предназначены для измерения избыточного и вакуумметрического давления агрессивных сред, в т.ч. углеводородного газа, сероводородосодержащих сред, газоводонефтяной эмульсии с температурой до +120 °С, содержанием Н2S и СO2 до 25 % по объему каждого, нефти и нефтепродуктов с содержанием парафина до 10 % весовых и управления внешними электрическими цепями от сигнализирующего устройства непрямого действия.
| Код | Наименование изделия |
| 0413 | Циферблат ДМ2005фСг1Ех Кс |
| 05943 | Стекло ДМ2005фСг1Ех Кс |
| 07488 | Корпус ДМ2005фСг1Ех Кс |
| 0291 | Стрелка Дм2005фСг1Ех Кс |
| 91112 | Узел держателя в сборе с механизмом ДМ2005фСг1Ех Кс |
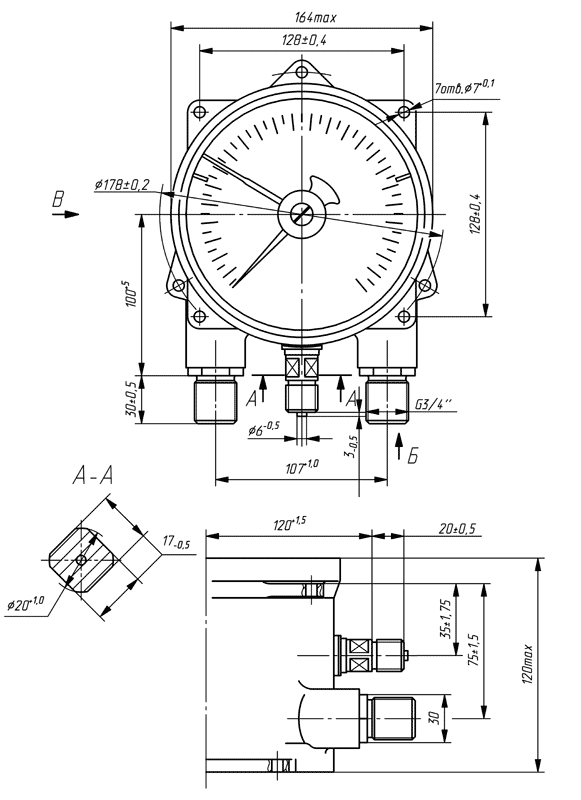
| Номинальный диаметр корпуса | 160 мм |
| Класс точности |
|
| Вид взрывозащиты |
|
| Маркировка взрывозащиты | 1Ex d [ai] ia IIB T4 Gb |
| Взрывоопасные зоны помещений и наружных установок | класс 1 и 2 по ГОСТ Р 51330.9-99 |
| Взрывоопасные смеси | категории IIA, IIB групп Т1, Т2, Т3, Т4 по ГОСТ Р МЭК 679-19-2001, ГОСТ Р 51330.5-99, ГОСТ Р МЭК 60079-11-2010 |
| Степень пылевлагозащиты | IP54 у вводного и приборного отделения манометра |
| Напряжение сети питания электроконтактного блока |
|
| Потребляемая мощность, не более | 1 Вт |
| Резьба присоединительного штуцера | М20х1.5 |
| Размер квадрата под ключ, мм | 17 мм |
| Расположение штуцера | радиальное (с передним и задним фланцем) |
| Устойчивость к климатическим воздействиям | исполнение Е1 по ГОСТ 15150-69 |
| Диапазон температур измеряемой среды, оС* | от -50 до +120 оС |
| Диапазон температуры окружающей среды, оС | от -55 до +60 оС |
| Виброзащищенность | группа L1 по ГОСТ Р 52931-2008 |
| Рабочие диапазоны измерений |
|
| Средний срок службы | 10 лет |
| Масса, не более | 4 кг |
| Тип контактов | оптопары |
| Максимальное напряжение коммутируемого тока |
|
| Сила тока, не более | 5.0 А |
| Максимальная разрывная мощность контактов |
|
| Пределы допускаемой погрешности срабатывания электроконтактной схемы, % от диапазона показаний | соответствует классу точности прибора |
| Материал корпуса | алюминиевый сплав, окрашенный в синий цвет |
| Обечайка | нет |
| Стекло | органическое, крепление к корпусу по резьбе посредством стального кольца |
| Трубчатая пружина | нержавеющая сталь
|
| Штуцер, трибко-секторный механизм | нержавеющая сталь |
| Циферблат | алюминиевый сплав, окрашенный в белый цвет |
| Монтаж кабеля | токовый монтаж:
закрепление кабеля:
|
* - рекомендуем подключать прибор к источнику давления посредством отвода-охладителя.
| Пределы измерений в системных единицах (МПа, кПа) - базовое исполнение (по заказу изготавливаются в любых единицах измерения) | |
| ДВ2005фСг1Ех Кс (вакуумметр) | -100 - 0 кПа |
| ДА2005фСг1Ех Кс (мановакуумметр) | -100 - 60; 150; 300; 500 кПа; -0.1 - 0.9; 1.5; 2.4 МПа |
| ДМ2005фСг1Ех Кс (манометр) | 0 - 60; 100; 160; 250; 400; 600 кПа; 0 - 1.0; 1.6; 2.5; 4.0; 6.0; 10; 16; 25; 40; 60 МПа |
| Марка | Ш*г*в см(инд) | Ш*г*в см(общ) | Вес (кг) | шт/кор. |
| ДМ2005фСг1Ех Кс | 19*25.5*14 | 4 | 1 |

Гарантийный срок эксплуатации - 24 месяца со дня ввода прибора в эксплуатацию при соблюдении потребителем правил эксплуатации, транспортирования, хранения и монтажа согласно руководству по эксплуатации, а также требованиям ГОСТ 2405-88.
Гарантийный срок хранения прибора – 12 месяцев с момента изготовления.
Оставляйте контактные данные, мы вам перезвоним и обсудим детали работы
Контакты
220137, г. Минск, 1-й Наклонный переулок, д.2
ПН-ЧТ 9.00-17.00, ПТ 9.00-16.00